John Deere Tractor Parts Diagram / Manuals And Training Parts Service John Deere Us : John deere model lt155 lawn tractor parts the serial number is located in front and below.

John Deere Tractor Parts Diagram / Manuals And Training Parts Service John Deere Us : John deere model lt155 lawn tractor parts the serial number is located in front and below.. Pdf technical manual contains instructions on the body repair, illustrations and diagrams, instruction manuals for john deere tractors 1020, 1120, 1630. Attachment & bundle identifiers for john deere combines. Green parts direct specializes in parts for john deere riding lawnmowers, riding tractors, blowers, chainsaws, trimmers, and a unique part by type we also offer a comprehensive free parts search using illustrated diagrams. It is a complete catalog that shows you detailed parts diagrams of every you can search the john deere illustrated parts catalog to find what you need and then enter your part number(s) into the search bar on any page of. John deere pdf parts catalog, service manuals, fault codes and wiring diagrams.

Каталог запасных частей комбайна john deere 1188, 1188hy. John deere lawn mowers operator's manual pdf. John deere remanufactured (reman) parts cut costs not quality with our remanufactured solutions. John deere parts catalog download. Find your john deere tractor manual and other items and parts for the john deere tractors.

X584 Owner Information Parts Service John Deere Us
X584 Owner Information Parts Service John Deere Us from www.deere.com
John deere 1020 tractor service manual. It is a complete catalog that shows you detailed parts diagrams of every you can search the john deere illustrated parts catalog to find what you need and then enter your part number(s) into the search bar on any page of. Designates customer's code number 2. John deere parts direct specializes in parts for lawn mowers,riding lawnmowers, riding tractors and snowblowers. John deere 265 lawn tractor parts diagram. Hydraulic oil filter fips 02b07 tractor compact. Some john deere tractor manuals pdf are above the page. Whether it is a vintage or a modern tractor you should be able to identify the part by make and.

John deere parts advisor expert catalog download diagrams construction parts dealer mower parts tractor search search by your machine to find the original directory on the selection of spare parts for machinery john deere.

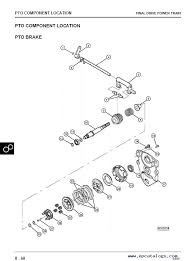
Click on the image to enlarge, and then save it to your computer by right clicking on the image. A digital database of operator, diagnostic, and technical manuals for john deere products. The most comprehensive tractor repair and service manuals. Discover how to find, view, and purchase technical and service manuals and parts catalogues for your equipment. Index for john deere tractor parts this pdf book provide john deere dozer 450c parts manual information. Huge in stock inventory of oem john deere parts. John deere remanufactured (reman) parts cut costs not quality with our remanufactured solutions. Part 44 wiring diagrams and electrical system. The john deere dealer is the first line of customer parts service. This subscription allows users to connect to machines with an electronic data link (edl) to clear and refresh codes, take diagnostic. John deere 265 lawn tractor parts diagram. The origins of the world famous brand go back to the distant xix century during the colonization of the american midwest. John deere front mower parts.

The online john deere parts diagram and look up tool is an incredible source. The most comprehensive tractor repair and service manuals. John deere parts diagrams john deere h340 loader pc3284 support. Throughout the world, there are dealers to. John deere catalog, combine, john deere, online, parts.

9560rt Tractor Radiator Hoses 13 5 L Stage Ii Engine Epc John Deere Online
9560rt Tractor Radiator Hoses 13 5 L Stage Ii Engine Epc John Deere Online from storage.googleapis.com
John deere 265 lawn tractor parts diagram. Search for your specific john deere tractor technical manual pdf by typing the model in the search box on the right side of the page. Index for john deere tractor parts this pdf book provide john deere dozer 450c parts manual information. Know your john deere model. It was then that in 1804 its founder, john deere, was born. Green parts direct specializes in parts for john deere riding lawnmowers, riding tractors, blowers, chainsaws, trimmers, and a unique part by type search that allows you to search bearings, bushings, belts. Find great deals for genuine oem john deere replacement spacer epc. Hydraulic circuit from loader control valve to relief.

Designates type of lubricant 3.

Whether it is a vintage or a modern tractor you should be able to identify the part by make and. Throughout the world there are dealers to serve agricultural construction lawn and grounds. Know your john deere model. John deere offers a range of technical and operator publications and training. Hydraulic oil filter fips 02b07 tractor compact. Since 1837, the company has followed john deere's values: John deere parts advisor expert catalog download diagrams construction parts dealer mower parts tractor search search by your machine to find the original directory on the selection of spare parts for machinery john deere. To download free 6030 series tractor john deere you need to john tractor. Hydraulic circuit from loader control valve to relief. Throughout the world, there are dealers to. Find your john deere tractor manual and other items and parts for the john deere tractors. Pdf technical manual contains instructions on the body repair, illustrations and diagrams, instruction manuals for john deere tractors 1020, 1120, 1630. John deere model lt155 lawn tractor parts the serial number is located in front and below.

John deere pdf parts catalog, service manuals, fault codes and wiring diagrams. Hydraulic oil filter fips 02b07 tractor compact. Index for john deere tractor parts this pdf book provide john deere dozer 450c parts manual information. Search parts for your tractors, lawn mowers, ag equipment, and more. Know your john deere model.

John Deere Lx279 Lawn Tractor Maintenance Guide Parts List
John Deere Lx279 Lawn Tractor Maintenance Guide Parts List from greenfarmparts.com
John deere tractor's & combines service repair manuals pdf. Hydraulic oil filter fips 02b07 tractor compact. John deere offers a range of technical and operator publications and training. Parts diagrams for massey ferguson, case i/h, fordson, ford new holland, john deere, zetor and more. John deere lawn mowers operator's manual pdf. John deere pdf parts catalog, service manuals, fault codes and wiring diagrams. John deere manufactures many models such as utility four wheel drive and row crop tractors. Attachment & bundle identifiers for john deere combines.

The online john deere parts diagram and look up tool is an incredible source.

The most comprehensive tractor repair and service manuals. The origins of the world famous brand go back to the distant xix century during the colonization of the american midwest. Hydraulic oil filter fips 02b07 tractor compact. John deere manufactures many models such as utility four wheel drive and row crop tractors. John deere 1020 tractor service manual. It was then that in 1804 its founder, john deere, was born. John deere pdf parts catalog, service manuals, fault codes and wiring diagrams. We have the right parts for your old tractor. Exploded parts diagrams for john deere exploded parts diagrams for john deere. Please contact your local john deere dealer for assistance in ordering a technical/operators manual or. Through the thousand pictures online in relation to john deere parts diagrams lawn tractor, we selects the best series having ideal image resolution simply for you, and this photographs is actually considered one of graphics choices in your best photos gallery concerning john deere parts diagrams lawn. Discover how to find, view, and purchase technical and service manuals and parts catalogues for your equipment. John deere 8100, 8200, 8300, 8400 tractors.

Designates type of lubricant 3 john deere tractor parts. We have the right parts for your old tractor.

Posting Komentar

0 Komentar

Ad Code